特点与用途/Features & Applications
微型轴式设计,便于安装与集成
内置编码器,支持角度、转速测量
基于电阻应变式(应变计)技术,测量精度高,性能稳定
非接触式供电与信号传输系统,支持最高转速8000rpm
产品应用:轴式非接触式动态扭矩传感器,安装、设置简单,测量精度高,电机对拖测试,电动、气动扭力扳手的测试测量、校准,微机械开关部件、齿轮箱、发动 机、电机和其他部件的线下扭矩检测等各种工业生产中需要动静态扭矩力检测控制的应用
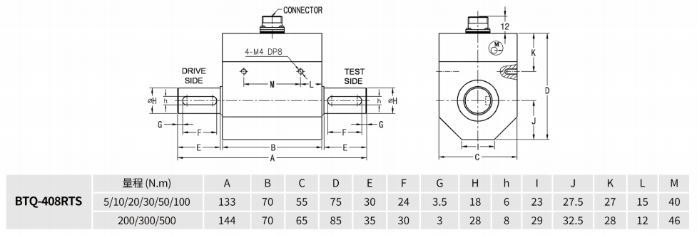
安装尺寸/Mounting Dimension

参数/Specifications 技术指标/Technique
| 综合精度 Functional Accuracy | ±0.1/±0.2%F.S. |
| 额定输出 Rated Output | 10±5kHz,4-20mA,0±5/10VDC,0~5/10VDC,RS232/485 |
| 采样速率 Sampling Rate | ≤500Hz |
激励电压 Power Supply | 12~30VDC |
| 电气接口Electrical Interfaces | 航插连接(Aviation plug) |
| 额定量程Rated Torque Mnom | 5/10/20/30/50/100/200/300/500N.m |
| 额定转速Rated Rotational Speed | 0/100/200~1000/2000/4000/6000/8000/12000/15000rpm |
| 安全过载Limit Torque | 200%F.S. |
| 极限过载Breaking Torque | 300%F.S. |
| 转速测量Pulses/rev. | 60 |
| 角度测量Angle Output | 可选配 |
| 材料Material | 不锈钢+铝合金(Stainless steel/Aluminum alloy) |
| 防护等级Protection Class | IP64 |