特点与用途/Features & Applications
采用独特外形及加载设计,安装便捷
具有极高的精度,满足mg级称重
稳定性高,微量高精度称重的最佳选择
产品应用:主要用于小包装的配料、灌装和控制任务,如制药、化妆品和食品包装等微量计量称重系统
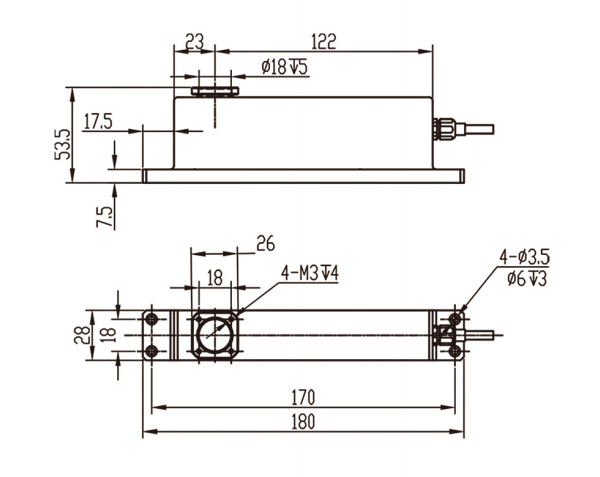
安装尺寸/Mounting Dimension

参数/Specifications 技术指标/Technique
| 额定容量 | Capacity | 30/50/100/300/500g,1/2/3/5kg |
| 输出灵敏度 | Rated output | ~1mV/V |
| 零点输出 | Zero balance | ±0.05F.S |
| 非线性 | Non-linearity | 0.01%F.S. |
| 滞后 | Hysteresis | 0.01%F.S. |
| 重复性 | Repeatability | 0.01%F.S. |
| 蠕变(30min) | Creep(30min) | 0.05%F.S. |
| 温度灵敏度漂移 | Temp.effect on output | 0.017%F.S./10℃ |
| 零点温度漂移 | Temp.effect on zero | 0.02%F.S./10℃ |
| 输入电阻 | Input impedance | 380±20 |
| 输出电阻 | Output impedance | 380±10 |
| 绝缘电阻 | Insulation | ≥5000MΩ/100VDC |
| 激励电压 | Recommended excitation | 2~15V |
| 最大激励电压 | Maximum excitation | 15V |
| 温度补偿范围 | Compensated temp range | -10~40℃ |
| 工作温度范围 | Operation temp range | -30~80℃ |
| 安全超载 | Safe overload | 150%F.S. |
| 极限超载 | Ultimate overload | 200%F.S. |
| 电缆线尺寸 | Cable size | φ4×2000mm |
| 防护等级 | IP Class | IP66 |