特点与用途/Features & Applications
微型六轴力传感器,可同时测量X、Y、Z轴三个方向的力(FX,Fy,Fz)和扭矩(Mx,My, Mz)
内置数字通讯板,提供Ethernet和EtherCAT两种通讯方式,可直接读取数据
响应速度快,采样频率可达1KHZ
采用电阻应变式原理,精度高
结构紧凑,尺寸小,高度低,抗偏载能力强
产品应用:应用于人形机器人指尖力觉测试、医疗领域牙齿力测试等
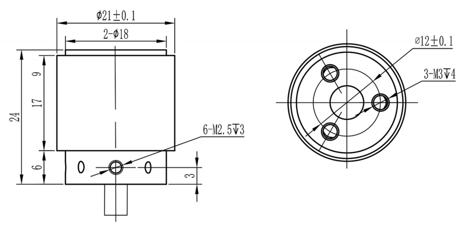
安装尺寸/Mounting Dimension

参数/Specifications 技术指标/Technique
| 额定容量 | Capacity | Fx.Fy.Fz:10/20N Mx.My.Mz:3N.m |
| 非线性 | Non-linearity | 0.05%F.S.(Fx.y.z) 0.35F.S(Mx.y.z) |
| 滞后 | Hysteresis | 0.1%F.S.(Fx.y.z) 0.3F.S(Mx.y.z) |
| 重复性 | Repeatability | 0.1%F.S.(Fx.y.z) 0.2F.S(Mx.y.z) |
| 蠕变(30min) | Creep(30min) | 0.05%F.S. |
| 温度灵敏度漂移 | Temp.effect on output | 0.05%F.S./10℃ |
| 零点温度漂移 | Temp.effect on zero | 0.05%F.S./10℃ |
| 绝缘电阻 | Insulation | ≥5000MΩ/100VDC |
| 激励电压 | Recommended excitation | 10~15V |
| 最大激励电压 | Maximum excitation | 15V |
| 温度补偿范围 | Compensated temp range | -10~60℃ |
| 工作温度范围 | Operation temp range | -20~80℃ |
| 安全超载 | Safe overload | 150%F.S. |
| 极限超载 | Ultimate overload | 200%F.S. |
| 电缆线尺寸 | Cable size | 4000mm |
| 防护等级 | IP Class | IP67 |