特点与用途/Features & Applications
微型六轴力传感器,可同时测量X、Y、Z轴三个方向的力(Fx,Fy,Fz)和扭矩(Mx,My,Mz)
采用矩阵解耦的结构,互扰误差≤2.5%F.S..非线性<0.5%F.S.
高静态抗过载保护,低零漂、低温漂、低轴间串扰
结构紧凑,尺寸小,高度低,适合小体积应用
产品应用:应用于工业机器人、协作机器人、医疗机器人、自动化测量、医疗测试、航空航天测试和风洞测试等领域
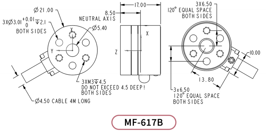
安装尺寸/Mounting Dimension

参数/Specifications 技术指标/Technique
| 额定容量 | Capacity | Fx/Fy:50N, Fz100N Mx=My=Mz:0.75N.m |
| 互扰误差 | Interference error | ≤2.5%F.S. |
| 非线性 | Non-linearity | 1.0%F.S. |
| 滞后 | Hysteresis | 1.0%F.S. |
| 绝缘电阻 | Insulation | ≥5000MΩ/100VDC |
| 激励电压 | Recommended excitation | 5V |
| 最大激励电压 | Maximum excitation | 5V |
| 温度补偿范围 | Compensated temp range | -10~70℃ |
| 工作温度范围 | Operation temp range | -40~100℃ |
| 安全超载 | Safe overload | 150%F.S. |
| 极限超载 | Ultimate overload | 200%F.S. |
| 电缆线尺寸 | Cable size | φ4.8×4000mm |
| 防护等级 | IP Class | IP64 |