特点与用途/Features & Applications
三轴力传感器,可同时测量X、Y、Z轴三个方向的力值(垂向力)变化
采用电阻应变式原理,精度高,互扰误差小,长期稳定性强
三平行梁结构,高度低,抗偏载能力强,响应速度快
经过高低温补偿,温度特性好
可选配扭矩测量通道
产品应用:应用于机器手臂操作力检测与控制、执行机构力控制、自动化打磨力监测、医疗设备精密测试、
高校力学实验及其他工业测试、测量及控制系统
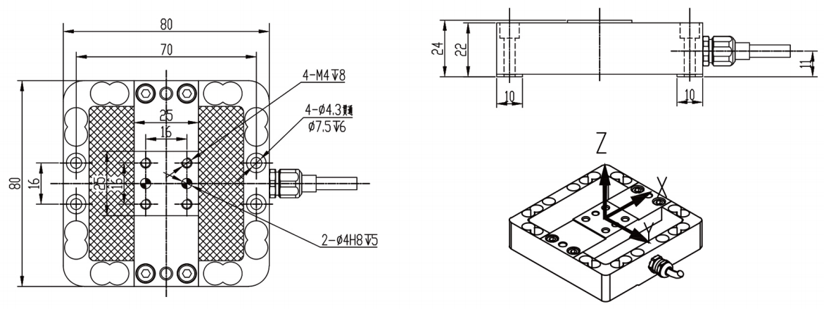
安装尺寸/Mounting Dimension

参数/Specifications 技术指标/Technique
| 额定容量 | Capacity | Fx.Fy:50/100/200/500/1000N Fz:50/100/200/500/1000N |
| 输出灵敏度 | Rated output | ~1.0mV/V |
| 互扰误差 | Interference error | ≤0.5%F.S. |
| 非线性 | Non-linearity | 0.1%F.S. |
| 滞后 | Hysteresis | 0.05%F.S. |
| 重复性 | Repeatability | 0.05%F.S. |
| 蠕变(30min) | Creep(30min) | 0.05%F.S. |
| 温度灵敏度漂移 | Temp.effect on output | 0.05%F.S./10℃ |
| 零点温度漂移 | Temp.effect on zero | 0.05%F.S./10℃ |
| 输入电阻 | Input impedance | 350±10Ω |
| 输出电阻 | Output impedance | 350±10Ω |
| 绝缘电阻 | Insulation | ≥5000MΩ/100VDC |
| 激励电压 | Recommended excitation | 2~12V |
| 最大激励电压 | Maximum excitation | 12V |
| 温度补偿范围 | Compensated temp range | -10~60℃ |
| 工作温度范围 | Operation temp range | -40~90℃ |
| 安全超载 | Safe overload | 150%F.S. |
| 极限超载 | Ultimate overload | 200%F.S. |
| 电缆线尺寸 | Cable size | φ4.8×4000mm |
| 防护等级 | IP Class | IP65 |